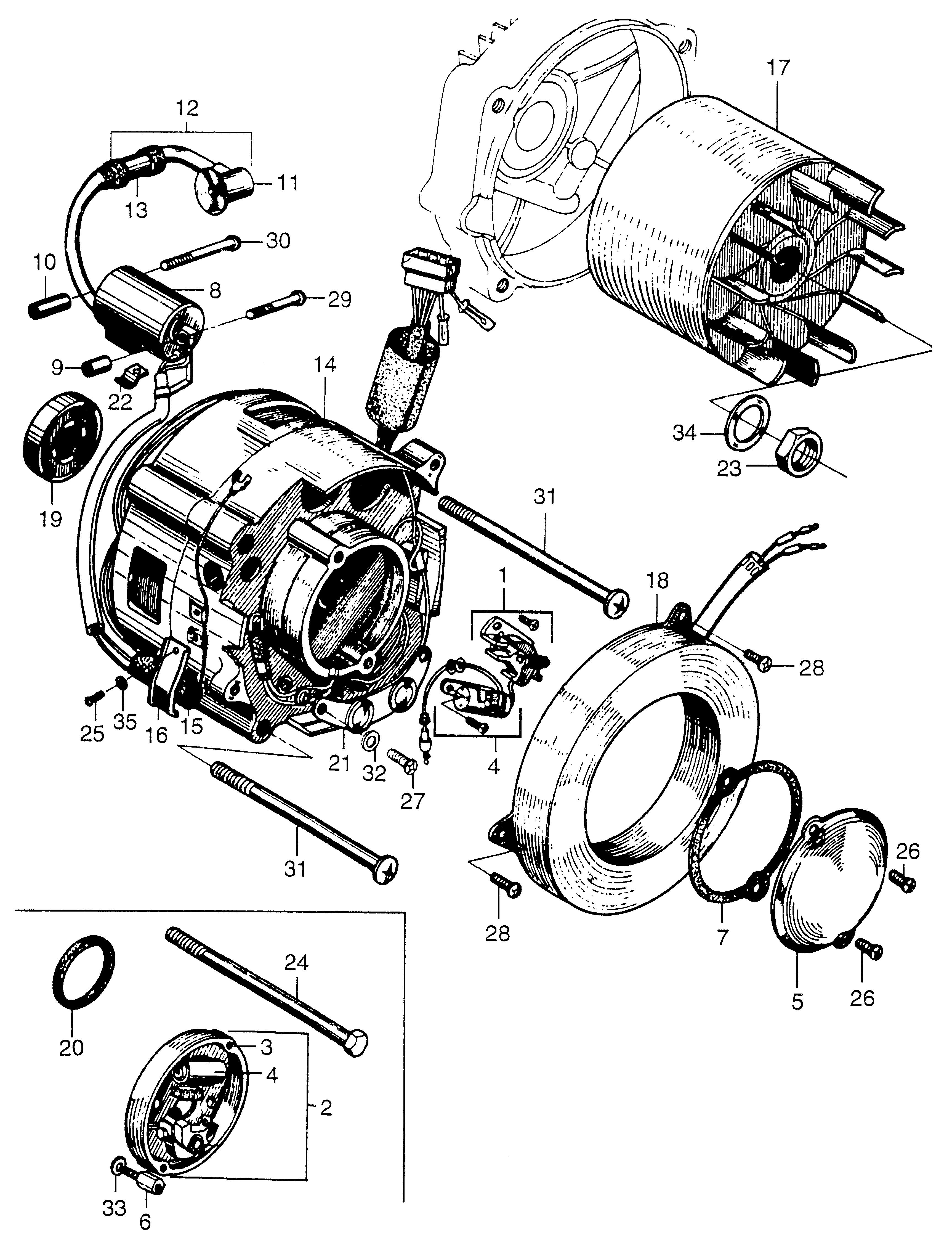
Ref No
Part Number
Description
Serial Range
Qty
Price
Ref No 1
Part Number 30200-812-000
Description POINTS ASSY., CONTACT (NOT AVAILABLE)
Serial Range 1000001 - 1007410
Ref No 1
Part Number 30200-812-000
Description POINTS ASSY., CONTACT (NOT AVAILABLE)
Serial Range 1000001 - 9999999
Ref No 1
Part Number 30200-812-010
Description POINTS ASSY., CONTACT
Serial Range 1007411 - 1106000
Ref No 1
Part Number 30200-812-010
Description POINTS ASSY., CONTACT
Serial Range 1000001 - 1106000
Ref No 2
Part Number 30200-812-000
Description POINTS ASSY., CONTACT (NOT AVAILABLE)
Serial Range 1000001 - 1007410
Ref No 2
Part Number 30200-812-000
Description POINTS ASSY., CONTACT (NOT AVAILABLE)
Serial Range 1000001 - 9999999
Ref No 2
Part Number 30200-812-010
Description POINTS ASSY., CONTACT
Serial Range 1007411 - 1106000
Ref No 2
Part Number 30200-812-010
Description POINTS ASSY., CONTACT
Serial Range 1000001 - 1106000
Ref No 3
Part Number 30201-812-003
Description BASE
Serial Range 1067411 - 1106000
Ref No 3
Part Number 30201-812-305
Description BASE
Serial Range 1000001 - 1067410
Ref No 4
Part Number 30203-812-003
Description CONDENSER ASSY. (NOT AVAILABLE)
Serial Range 1067411 - 9999999
Ref No 5
Part Number 30211-812-010
Description COVER, POINTS (NOT AVAILABLE)
Serial Range 106771 - 9999999
Ref No 5
Part Number 30211-812-305
Description COVER, POINTS (NOT AVAILABLE)
Serial Range 1000001 - 106770
Ref No 6
Part Number 30213-812-010
Description BOLT, POINTS SET
Serial Range 1000001 - 9999999
Ref No 6
Part Number 93500-05012-0A
Description SCREW, PAN (5X12)
Serial Range 1067701 - 1106000
Qty
Price $1.65
Add To Cart
Ref No 6
Part Number 93500-05012-0A
Description SCREW, PAN (5X12)
Serial Range 1000001 - 9999999
Qty
Price $1.65
Add To Cart
Ref No 8
Part Number 30500-812-013
Description COIL ASSY., A.C. IGNITION (NOT AVAILABLE)
Serial Range 1000001 - 9999999
Ref No 9
Part Number 30531-812-000
Description COLLAR A, IGNITION DISTANCE (NOT AVAILABLE)
Serial Range 1000001 - 9999999
Ref No 10
Part Number 30532-812-000
Description COLLAR B, IGNITION DISTANCE
Serial Range 1000001 - 9999999
Ref No 11
Part Number 30611-812-000
Description COVER, IGNITION TERMINAL (NOT AVAILABLE)
Serial Range 1000001 - 1022091
Ref No 12
Part Number 30615-812-010
Description TERMINAL ASSY., IGNITION (NOT AVAILABLE)
Serial Range 1022092 - 9999999
Ref No 12
Part Number 30616-812-000
Description TERMINAL ASSY., IGNITION (NOT AVAILABLE)
Serial Range 1000001 - 9999999
Ref No 13
Part Number 30700-812-000
Description SUPPRESSOR, NOISE (NOT AVAILABLE)
Serial Range 1000001 - 1022091
Ref No 13
Part Number 30700-812-010
Description SUPPRESSOR, NOISE (NOT AVAILABLE)
Serial Range 1022092 - 9999999
Ref No 14
Part Number 31150-812-033
Description STATOR ASSY., ALTERNATOR
Serial Range 1000001 - 1007891
Ref No 14
Part Number 31150-812-043
Description STATOR ASSY., ALTERNATOR
Serial Range 1007892 - 1011454
Ref No 14
Part Number 31150-812-053
Description STATOR ASSY., ALTERNATOR
Serial Range 1011455 - 1070621
Ref No 14
Part Number 31150-812-060
Description STATOR ASSY., ALTERNATOR
Serial Range 1070622 - 1099383
Ref No 14
Part Number 31150-812-631
Description STATOR ASSY., ALTERNATOR
Serial Range 1099384 - 1106000
Ref No 15
Part Number 31156-836-000
Description TUBE A, RUBBER
Serial Range 1022235 - 2000000
Ref No 16
Part Number 31157-812-000
Description CLAMP, JOINT
Serial Range 1022235 - 2000000
Ref No 17
Part Number 31160-812-003
Description ROTOR, ALTERNATOR
Serial Range 1007892 - 9999999
Ref No 18
Part Number 31170-812-023
Description REACTOR
Serial Range 1000001 - 1099383
Ref No 18
Part Number 31170-812-631
Description REACTOR
Serial Range 1099384 - 1106000
Ref No 19
Part Number 31191-812-000
Description BEARING, NEEDLE
Serial Range 1000001 - 1007891
Ref No 19
Part Number 96150-60010-10
Description BEARING, RADIAL BALL (6001UU)
Serial Range 1007892 - 9999999
Qty
Price $29.32
Add To Cart
Ref No 20
Part Number 31192-812-000
Description OIL SEAL (NOT AVAILABLE)
Serial Range 1000001 - 1007891
Ref No 21
Part Number 31700-812-000
Description RECTIFIER, SILICON (NOT AVAILABLE)
Serial Range 1028067 - 1106000
Ref No 22
Part Number 32901-812-000
Description CLAMP, WIRE
Serial Range 1000001 - 2000000
Ref No 23
Part Number 90282-812-000
Description NUT, SPECIAL (16MM)
Serial Range 2000001 - 9999999
Ref No 24
Part Number 92000-06103
Description BOLT, HEX. (6X103) (NOT AVAILABLE)
Serial Range 1000001 - 9999999
Ref No 24
Part Number 92000-06145
Description BOLT, HEX. (6X145) (NOT AVAILABLE)
Serial Range 1000001 - 9999999
Ref No 25
Part Number 93500-04006-0A
Description SCREW, PAN (4X6)
Serial Range 1000001 - 9999999
Qty
Price $1.50
Add To Cart
Ref No 25
Part Number 93500-04006-0A
Description SCREW, PAN (4X6)
Serial Range 1000001 - 1106000
Qty
Price $1.50
Add To Cart
Ref No 26
Part Number 93500-04006-0A
Description SCREW, PAN (4X6)
Serial Range 1000001 - 9999999
Qty
Price $1.50
Add To Cart
Ref No 26
Part Number 93500-04006-0A
Description SCREW, PAN (4X6)
Serial Range 1000001 - 1106000
Qty
Price $1.50
Add To Cart
Ref No 27
Part Number 93500-04020-0A
Description SCREW, PAN (4X20)
Serial Range 1028067 - 9999999
Qty
Price $1.50
Add To Cart
Ref No 28
Part Number 93500-05008-0A
Description SCREW, PAN (5X8)
Serial Range 1028067 - 9999999
Qty
Price $1.59
Add To Cart
Ref No 29
Part Number 93500-05030-0A
Description SCREW, PAN (5X30)
Serial Range 1000001 - 9999999
Qty
Price $2.10
Add To Cart
Ref No 30
Part Number 93500-05042
Description SCREW, PAN (5X42) (NOT AVAILABLE)
Serial Range 1000001 - 9999999
Ref No 32
Part Number 94101-04000
Description WASHER, PLAIN (4MM)
Serial Range 1028067 - 9999999
Qty
Price $1.80
Add To Cart
Ref No 33
Part Number 94101-06800
Description WASHER, PLAIN (6MM)
Serial Range 1000001 - 1067410
Qty
Price $1.20
Add To Cart
Ref No 34
Part Number 94101-16000
Description WASHER, FLAT (16MM) (NOT AVAILABLE)
Serial Range 1067411 - 9999999
Ref No 35
Part Number 94111-04000
Description WASHER, SPRING (4MM)
Serial Range 1022235 - 9999999
Qty
Price $1.95
Add To Cart