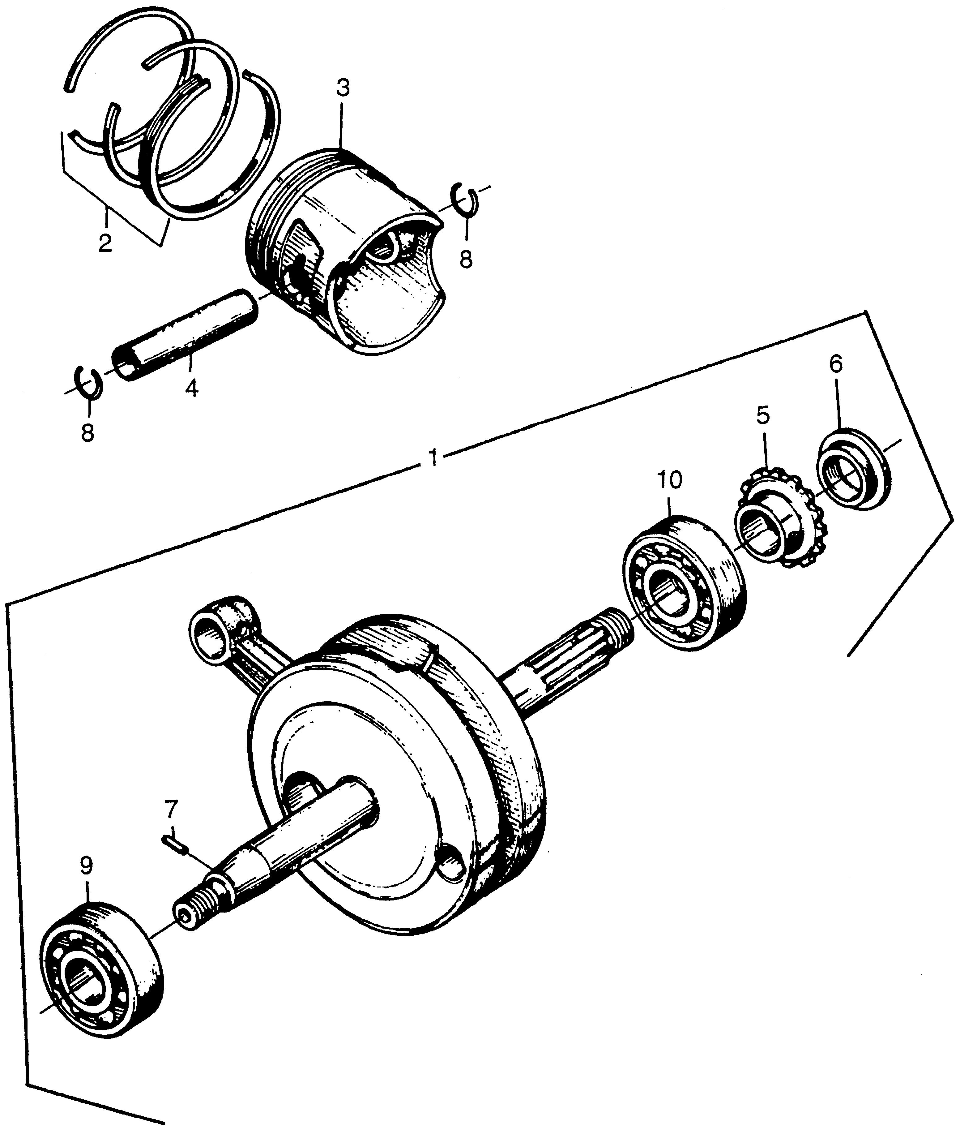
Description RING SET, PISTON (STD) (NOT AVAILABLE)
Serial Range 1086828 - 9999999
Ref No 2
Part Number 13020-201-000
Description RING SET, PISTON (OVER SIZE) (0.25)
Serial Range 1000001 - 9999999
Ref No 2
Part Number 13031-030-000
Description RING SET, PISTON (OVER SIZE) (0.50) (SOURCE: VINTAGE PARTS INC.)
Serial Range 1000001 - 9999999
Ref No 2
Part Number 13040-201-000
Description RING SET, PISTON (OVER SIZE) (0.75)
Serial Range 1000001 - 9999999
Ref No 3
Part Number 13101-844-000
Description PISTON
Serial Range 1000001 - 9999999
Qty
Price $59.71
Ref No 3
Part Number 13102-844-000
Description PISTON (NOT AVAILABLE)
Serial Range 1000001 - 9999999
Ref No 3
Part Number 13103-844-000
Description PISTON (NOT AVAILABLE)
Serial Range 1000001 - 9999999
Ref No 3
Part Number 13104-844-000
Description PISTON
Serial Range 1000001 - 9999999
Ref No 4
Part Number 13111-816-000
Description PIN, PISTON (NOT AVAILABLE)
Serial Range 1000001 - 9999999
Ref No 5
Part Number 14311-844-010
Description SPROCKET, TIMING
Serial Range 1000001 - 9999999
Qty
Price $46.70
Ref No 6
Part Number 14315-844-000
Description COLLAR, SPROCKET (NOT AVAILABLE)
Serial Range 1000001 - 9999999
Ref No 7
Part Number 90741-035-000
Description KEY, WOODRUFF (3MM)
Serial Range 1086828 - 9999999
Ref No 7
Part Number 90741-122-000
Description PIN, DOWEL (3X4) (NOT AVAILABLE)
Serial Range 1000001 - 1086827
Ref No 8
Part Number 94601-13000
Description CLIP, PISTON PIN (13MM)
Serial Range 1086828 - 9999999
Ref No 9
Part Number 96100-62030-00
Description BEARING, RADIAL BALL (6203)
Serial Range 1000001 - 9999999
Ref No 10
Part Number 96100-63030-00
Description BEARING, RADIAL BALL (6303)
Serial Range 1000001 - 9999999
Qty
Price $25.54
Item added to your cart
California Prop 65 Information
Internal Combustion Engine Products:
WARNING:
This product can expose you to chemicals including soots, tars, and mineral oils, which are known to the State of California to cause cancer,
and carbon monoxide, which is known to the State of California to cause birth defects or other reproductive harm. For more information go to
www.P65Warnings.ca.gov.
Miimo Robotic Mower
WARNING:
This product can expose you to chemicals including lead and lead compounds, which are known to the State of California to cause cancer and birth defects or other reproductive harm.
For more information go to
www.P65Warnings.ca.gov.